Play Icon
Please to watch this video
Palettenetikettierer

Legi-Air 4050E(L)2A

Maximale Leistung für 2-seitige Palettenetikettierung im Dauerbetrieb

  • Bis zu 420 Paletten pro Stunde etikettieren
  • Zweiseitige Kennzeichnung im Durchlauf möglich
  • Intuitive Steuerung über Touchdisplay
  • Duale Druckluft für Etikettensicherheit
  • Robuste Bauweise für den Dauerbetrieb
  • Optionales Schutzgehäuse für mehr Sicherheit

Zuverlässige Palettenkennzeichnung rund um die Uhr

Der Legi-Air 4050E(L)2A ist die ideale Lösung für die automatisierte Palettenetikettierung im industriellen Dauereinsatz. Dank seiner leistungsstarken Applikator-Technologie – verfügbar in kurzer (E2A) oder langer (EL2A) Variante – ermöglicht das System eine präzise ein- oder zweiseitige Etikettierung von Paletten sowohl im Durchlauf als auch im Stillstand.

Mit bis zu 420 etikettierten Paletten pro Stunde ist der 4050E(L)2A einer der schnellsten Palettenetikettierer seiner Klasse. Zwei unabhängig arbeitende Druckluftkreisläufe gewährleisten auch bei Unterbrechung der Versorgung eine zuverlässige Etikettenfixierung. Ein benutzerfreundliches 7-Zoll-Touchdisplay, elektrische Ab- und Aufwickler sowie verschiedene Optionen wie Schutzgehäuse oder Performance Level D runden das System ab. Der Legi-Air 4050E(L)2A – entwickelt für maximale Effizienz, Zuverlässigkeit und Bedienkomfort.

Anwendungen

Besonderheiten

Flexibler Applikator für alle Etikettierlagen

Der Legi-Air 4050E(L)2A verfügt über einen präzise geführten Applikator mit zwei pneumatischen Lineareinheiten. Damit lassen sich Etiketten stirnseitig, seitlich oder rückseitig auf Paletten aufbringen – ganz nach Prozessanforderung. Durch die intelligente Bauweise ist keine Unterscheidung der Hardwareposition mehr nötig – das vereinfacht Konfiguration und Integration erheblich.

Stempel mit intelligenter Sensorik

Die Spendestempelplatte ist mit zwei geschützten Sensoren und seitlich montierten Rollen ausgestattet. Diese Technik verhindert ein Verhaken – besonders bei folierten Paletten – und sorgt für einen sanften Ablauf des Etikettiervorgangs. Selbst bei hohem Durchsatz bleibt die Prozesssicherheit jederzeit gewährleistet, auch bei herausfordernden Bedingungen.

Schonender Betrieb durch elektrische Wickler

Elektrisch betriebene Ab- und Aufwickler garantieren eine gleichmäßige Materialführung, entlasten das Druckmodul und senken den Wartungsaufwand. Druckmodule aller führenden Hersteller lassen sich einfach integrieren und bei Bedarf austauschen. Das System unterstützt Etikettendruck mit bis zu 600 dpi – für gestochen scharfe Kennzeichnungen.

Schutzgehäuse für sicheres Arbeiten

Optional ist der Legi-Air 4050E(L)2A mit einem Schutzgehäuse erhältlich, das Bedienpersonal und System gleichermaßen schützt. Flügeltüren ermöglichen den einfachen Zugriff, während ein automatisch gesteuerter Schieber den Applikator bei Aktivierung freigibt. Diese Option empfiehlt sich besonders in Umgebungen mit hohen Sicherheitsanforderungen und Dauerbetrieb.

Technische Daten
Spendedaten
Etikettenposition
Stirnseite, Seite, Rückseite, Beidseitig Rückseite & Seite, Beidseitig Stirnseite & Seite
Etikettiermodus
im Stillstand, im Durchlauf
Abhängig von gewähltem Applikator
Etiketten-Applikationsrate max.
7 /min
Legi-Air 4050EL2A: 6 Paletten / min (bei 2 Seiten im Durchlauf)
Positioniergenauigkeit (+/-)
2 mm
bei gestoppter Palette
Produktgeschwindigkeit bis
18 m/min
max. 15 m / min bei Rückseiten-Etikettierung
Etikettenformat min. (BxL)
50 x 50 mm
weitere Größen optional verfügbar
Etikettenformat max. (BxL)
160 x 300 mm
optional Etikettenbreite max. 173 mm
Palettenetikettierung
1-seitig, 2-seitig
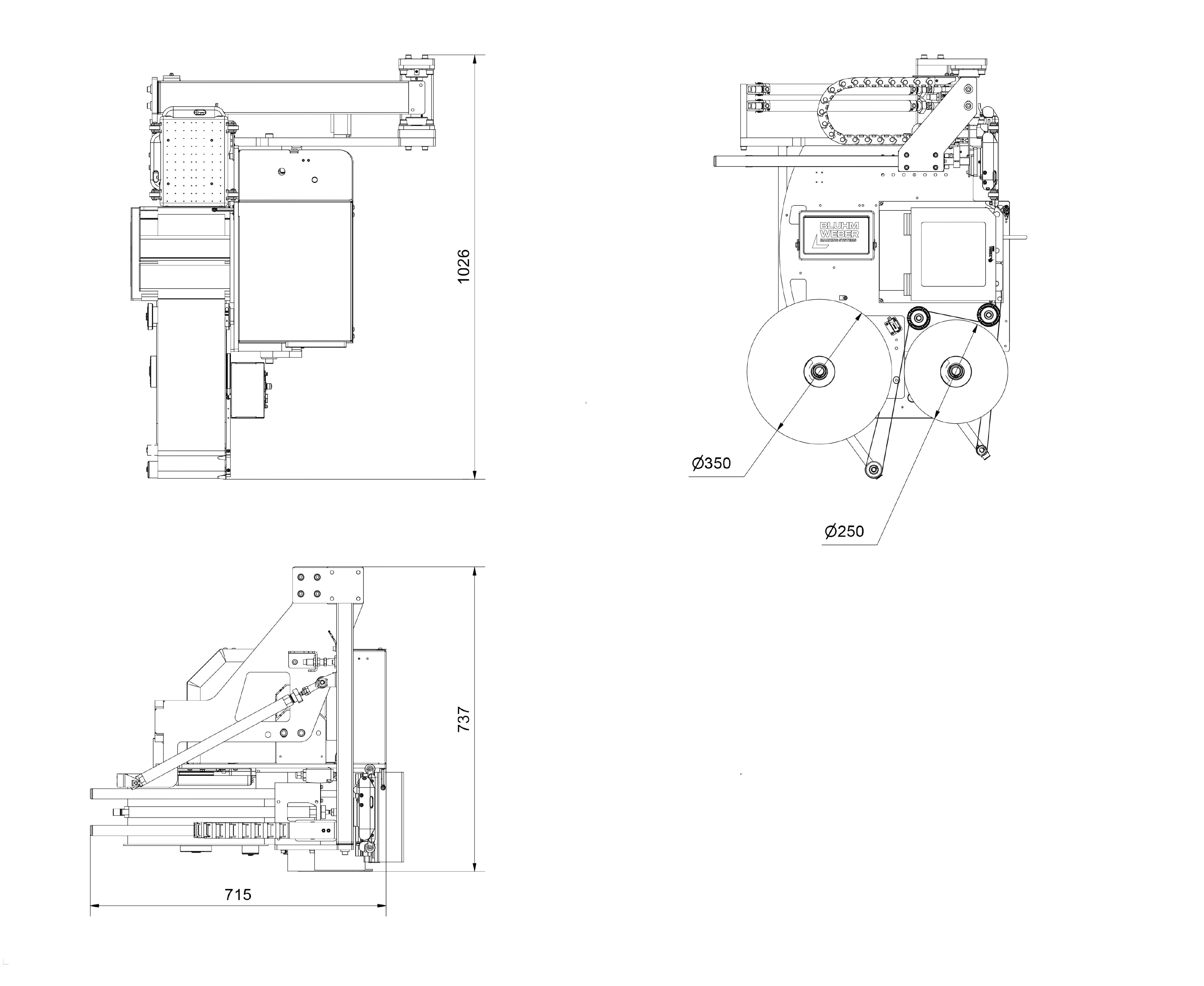
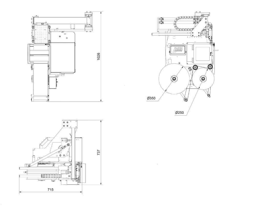
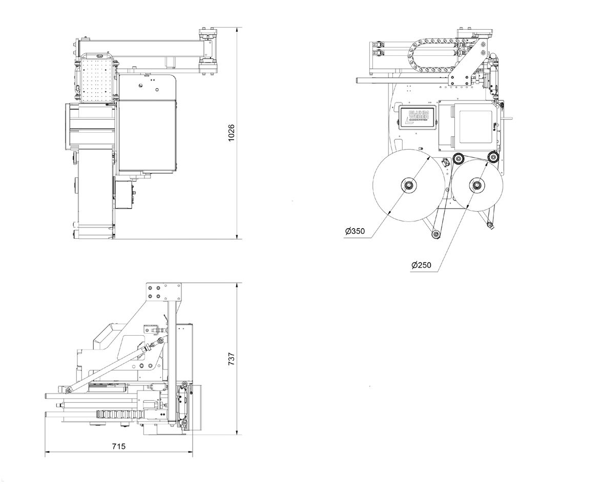
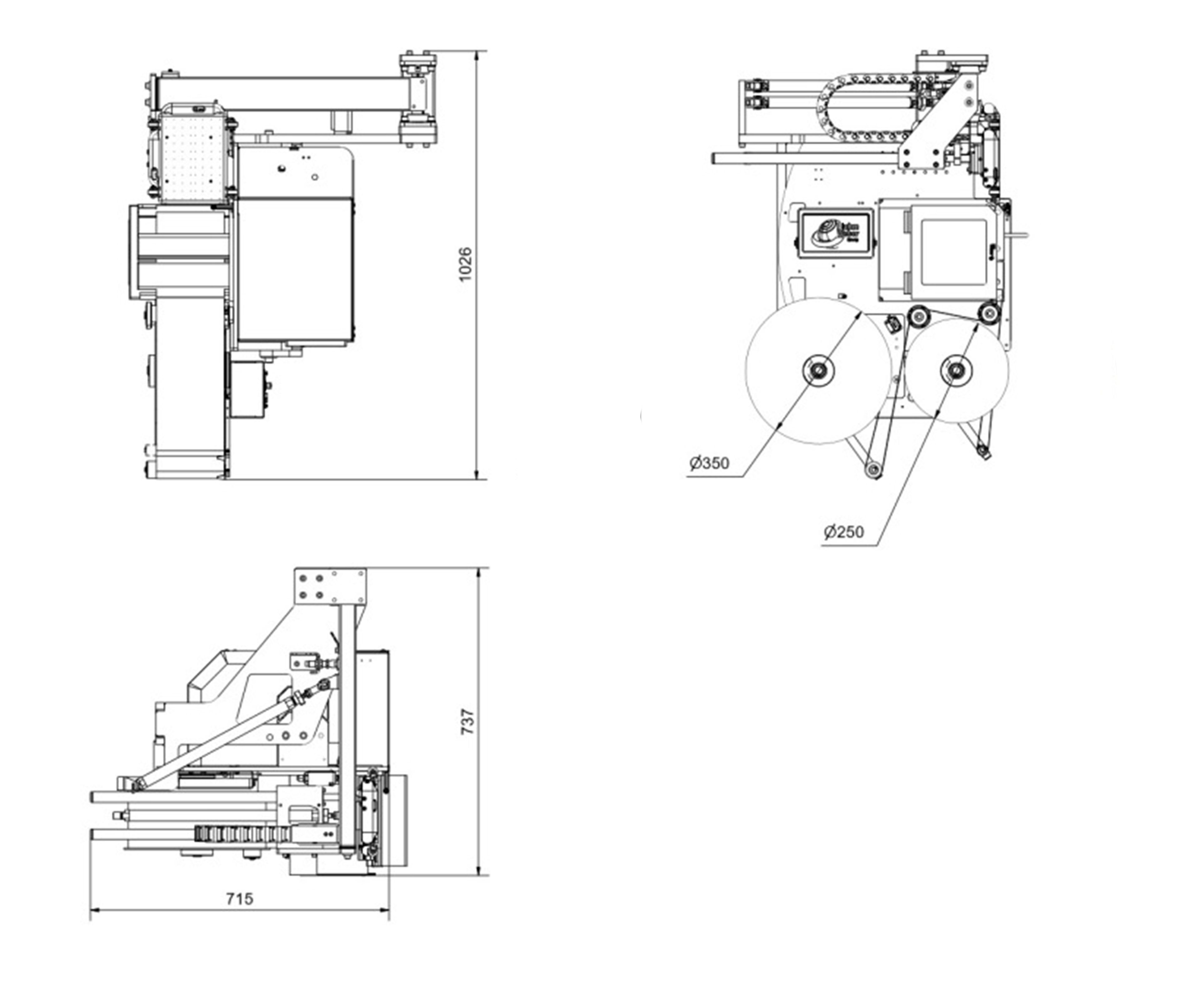
Durchmesser Etikettenrolle max.
350 mm
bis 600 lfd. Meter
Etikettenrollen-Kern-Durchmesser
76 mm
Merkmale
Technologie
Pneumatisch
Einbaulagenunabhängigkeit
nein
Etikettenabrollung
Schrittmotor
Etikettenaufrollung
Schrittmotor
Etiketten-Mangel-Warnung
ja
Bandriss-Erkennung
optional
HMI
HMI Ausführung
Touchdisplay
Physikalische Aspekte
Abmessung System (HxBxL)
1177 x 822 x 1057 mm
Legi-Air 4050EL2A: 820 x 1022 x 958 (H x B x T in mm)
Orientierung
Links Hand, Rechts Hand
Gewicht
80 kg
Legi-Air 4050EL2A: ab 90 kg
Zulassungen
CE
Rel. Luftfeuchtigkeit nicht kondensierend
15 - 95 %
Umgebungstemperatur
2 - 35°C
Geräuschentwicklung
72 dB
A-Schalldruckpegel
Anschlüsse
Anschlussspannung
92 - 263 V
Netzfrequenz
50 - 60 Hz
Stromstärke
5 A
Druckluftanschluss
6 bar
gemäß DIN ISO 8573-1
Schnittstellen
USB, RS232, Applicator Port, Ethernet IPV4

Anwenderberichte

Case study on labelling and marking - Coop

Coop

Coop ist weit über die Schweizer Landesgrenzen hinweg bekannt. Die Detailhändlerin hat schweizweit das dichteste Verkaufsstellennetz. In der Verteilzentrale Schafisheim befindet sich die größte Bäckerei der Schweiz. Von hier aus werden die Filialen täglich mit frischem Brot beliefert. Kennzeichnungssysteme von Bluhm garantieren die reibungslose Abwicklung dieser logistischen Meisterleistung.

Anwenderbericht lesen

Case study on labelling and marking - Landi

LANDI Schweiz

Die LANDI Schweiz AG gehört zu den größten Schweizer Detailhändlern im Bereich Haus und Garten. Zur Belieferung der 270 LANDI-Verkaufsstellen müssen im Logistikzentrum in Dotzigen täglich bis zu 2.000 individuell gepackte Paletten etikettiert werden. Für den reibungslosen Ablauf sorgen hier Palettenetikettierer des Kennzeichnungsanbieters Bluhm Systeme.

Anwenderbericht lesen

Case study on labelling and marking - ALPLA

ALPLA-Werke Lehner

ALPLA steht für „Alpenplastik“. Das Unternehmen wurde 1955 in Österreich gegründet und mit der eigens kreierten Spritzgussmaschine „Alplamat“ branchenweit bekannt. Heute ist der Konzern weltweit an 180 Standorten vertreten. Allein in Berlin produzieren 180 Mitarbeiter täglich rund um die Uhr mehr als 1,3 Millionen Kunststoffflaschen, vornehmlich für die Kosmetik- und...

Anwenderbericht lesen

Case study on labelling and marking - Eisbär

Eisbär Eis

Die Eisbär Eis GmbH wurde 1992 in Plummendorf gegründet. Der Kundenkreis weitete sich schnell von regionalen Abnehmern auf den landes- und später europaweiten Lebensmittel-Einzelhandel aus. Hier entstehen heute jährlich über 18 Millionen Liter Speiseeis. Trotz der Expansion ist Eisbär noch immer im Familienbesitz. Genau wie ihr Lieferant für Kennzeichnungstechnik: Mehrere...

Anwenderbericht lesen

Case study on labelling and marking - Goertz

Schuhhaus Görtz

Der Schuhhändler Ludwig Görtz GmbH lässt seine Kunden nicht lange auf online bestellte Schuhe warten: Passende Paare werden innerhalb von 24 Stunden an eine von 160 Filialen oder direkt zum Kunden nach Hause geliefert. Damit das fehlerfrei funktioniert, verfügt das Schuhhaus über eine vollautomatische Logistik. Wichtiger Bestandteil dieses ausgeklügelten Systems...

Anwenderbericht lesen